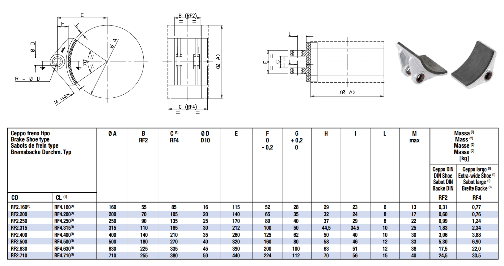
Product Description:
The GALVI DIN Brake Shoes are manufactured according to DIN 15435 standards (RF2) or 1.5 times wider than the DIN standard (RF4). These brake shoes are made of aluminum for diameters ranging from 160 mm to 500 mm, and cast iron for diameters of 630 mm and 710 mm. Each brake shoe is equipped with steel bushings and features asbestos-free bonded linings for optimal performance and safety.
Standard Features:
- Manufactured according to DIN 15435 standards (RF2) or wider versions (RF4) for enhanced braking performance.
- Aluminum construction for diameters from 160 mm to 500 mm, offering lightweight yet strong components.
- Cast iron construction for diameters 630 mm and 710 mm, providing durability and reliability for heavy-duty applications.
- Steel bushings for increased wear resistance and smooth operation.
- Asbestos-free bonded linings for safe, efficient, and long-lasting braking performance.
Available Optional Items:
- Extra-wide brake shoes (RF4) for applications requiring enhanced surface contact.
- Custom linings options (asbestos-free) based on the specific operational requirements.
- Various diameter options (from 160 mm to 710 mm) to accommodate different machine and brake configurations.
